☆单组输出:功率240W
☆输入电压:85-265VAC/120-375VDC
☆无PFC功能,最经济型机型
☆小型化及1U低高度(30mm)
☆300VAC浪涌电流
☆空载待机消耗瓦数:0.2~0.75W
☆可承受5G震动, 70℃操作温度
☆操作高度达5000米
☆完整安规认证: IEC/EN60335-1(PD3), IEC/EN61558-1,-2-16; IEC/EN/UL60950-1及GB4943
型号 | ZAS-240-5 | ZAS-240-12 | ZAS-240-15 | ZAS-240-24 | ZAS-240-36 | ZAS-240-48 |
直流输出电压、电流 | 5V 0~48A | 12V 0~20A | 15V 0~16A | 24V 0~10A | 36V 0~6.66A | 48V 0~5A |
纹波及噪音 | 150mVp-p | 150mVp-p | 180mVp-p | 180mVp-p | 200mVp-p | 200mVp-p |
进线稳定度 | ±0.5% | ±0.5% | ±0.5% | ±0.5% | ±0.5% | ±0.5% |
负载稳定度 | ±1% | ±0.5% | ±0.5% | ±0.5% | ±0.5% | ±0.5% |
效率 | 79% | 82% | 83% | 83% | 86% | 86% |
直流电压可调范围 | ±10% | ±10% | ±10% | ±10% | ±10% | ±10% |
输入电压范围 | 85~265VA或120~375VDC | |||||
冲击电流 | 冷启动电流15A/115VAC 30A/230VAC | |||||
过载保护 | 105%~201%切断输出,自动恢复 | |||||
过电压保护 | 断掉输出、重新上电 | |||||
启动、上升、保持时间 | 200ms, 50ms, 20ms/230VAC 满负载 | |||||
耐压性 | 输入输出间:1.5kV 输入与外壳间:1.5kV 输出与外壳间:0.5kV 一分钟 | |||||
隔离电阻 | 输入输出间 输入与外壳间 输出与外壳间:500VDC/100M | |||||
工作温度 | -10℃~+50℃ | |||||
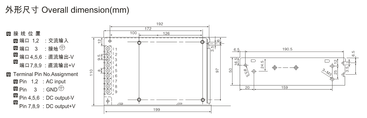
尺寸 | 199×110×50mm | |||||
重量 | 0.9kg | |||||
包装 | 42×31.5×26CM/20PCS/18kg |
